
地 址:蘇州市姑蘇區廣濟南 路258號百腦匯科技中心817室
電 話:0512-6222299918001559999
傳 真:0512-58555222
聯系人:高R
郵 箱:michael.gao@dsfuse.com

保險絲,光伏保險絲,電力保險絲,電力熔斷器,熔斷器
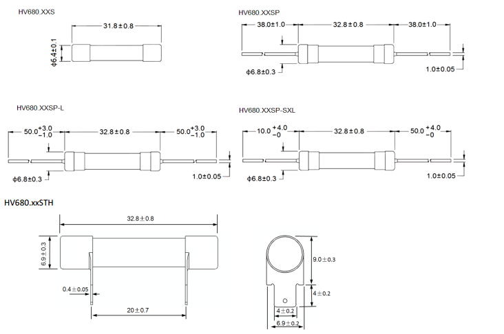
HV680-S Series 500Vac/dc 15A、30A High In-Rush
? High I2T withstand High In-Rush Current
? Special Engineering Material tube, Silver plated cap construction ? High breaking capacity for high energy application
? RoHS and Lead Free material


蘇州鼎時電子科技有限公司推出光伏保險絲,電力保險絲,電力熔斷器,熔斷器:應用于電源、開關電源、充電器、LED驅動電源,新能源汽車,充電樁,變電站PDU,動力電池,風能發電,BMS,軌道交通,航空航天,光伏行業方案等.
保險絲生產廠家,蘇州鼎時電子科技有限公司推出貼片保險絲:應用于電源、開關電源、充電器、LED驅動電源、LED燈具、球泡燈、投光燈線性方案等
如果你對我們的產品感興趣或有什么問題,歡迎來此詢價。我們將在24小時內給予答復。個人信息我們將嚴格保密。注:下表*部分為必填項
版權所有:蘇州鼎時電子科技有限公司 手機版 蘇ICP備16029630號