
地 址:蘇州市姑蘇區廣濟南 路258號百腦匯科技中心817室
電 話:0512-6222299918001559999
傳 真:0512-58555222
聯系人:高R
郵 箱:michael.gao@dsfuse.com

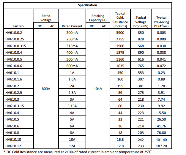
熔斷器HV610 600VAC/DC 10KA 100mA-12A介紹:
3AB, 6x32mm Ceramic Tube fuse.
6x32mm, 600V直流, 出色的分斷特性為儀表誤操作提供了良好防護.
VOLTAGE RANGE:600V DC
AMPERE RANGE:100mA ~ 12A
INTERRUPTING RATING:10kA@600Vdc



蘇州鼎時電子科技有限公司推出力特保險絲,電力保險絲,電力熔斷器,熔斷器:應用于電源、開關電源、充電器、LED驅動電源,新能源汽車,充電樁,變電站,光伏行業方案等
保險絲生產廠家,蘇州鼎時電子科技有限公司推出貼片保險絲:應用于電源、開關電源、充電器、LED驅動電源、LED燈具、球泡燈、投光燈線性方案等
如果你對我們的產品感興趣或有什么問題,歡迎來此詢價。我們將在24小時內給予答復。個人信息我們將嚴格保密。注:下表*部分為必填項
版權所有:蘇州鼎時電子科技有限公司 手機版 蘇ICP備16029630號