
地 址:蘇州市姑蘇區廣濟南 路258號百腦匯科技中心817室
電 話:0512-6222299918001559999
傳 真:0512-58555222
聯系人:高R
郵 箱:michael.gao@dsfuse.com

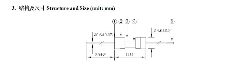
玻璃管保險絲,3D 3.6*10玻璃快斷保險絲,3.6*10玻璃快斷保險管介紹:
1. 適用范圍Scope of application
本產品適用于各種電子電器內的電路中起過電流保護作用。
This product is suitable for various kinds of electronic machines to work for over current protection.
2. 相關標準及認證Relevant Standards and Certification
2.1執行標準Standard: UL248-1 UL248-14
2.2認證Certification:
額定電壓 Voltage rating | UL | CUL | ||
認證范圍 Scope of Certification | 證書編號Certification No. | 認證范圍 Scope of Certification | 證書編號Certification No. | |
125V | 100mA~7A | E221465 | 100mA~7A | E221465 |
250V | 100mA~7A | E221465 | 100mA~7A | E221465 |



保險絲生產廠家,蘇州鼎時電子科技有限公司推出貼片保險絲:應用于電源、開關電源、充電器、LED驅動電源、LED燈具、球泡燈、投光燈線性方案等
如果你對我們的產品感興趣或有什么問題,歡迎來此詢價。我們將在24小時內給予答復。個人信息我們將嚴格保密。注:下表*部分為必填項
版權所有:蘇州鼎時電子科技有限公司 手機版 蘇ICP備16029630號