
地 址:蘇州市姑蘇區廣濟南 路258號百腦匯科技中心817室
電 話:0512-6222299918001559999
傳 真:0512-58555222
聯系人:高R
郵 箱:michael.gao@dsfuse.com

玻璃管保險絲的特點:
玻璃管保險絲這是保險絲的一種,不少人對為什么使用玻璃管這種材料做保險絲不太了解,到底玻璃管保險絲有什么特點呢,為什么要用這種材質?
玻璃管保險絲使用玻璃管這種材料是有它的道理的,玻璃管是非金屬管的一類,它性能良好,屬于比較好的絕緣材料。和普通玻璃相比,玻璃鋼是沒有毒副作用的,它的機械性能、熱穩定性能都是非常好的,除此之外,玻璃管還具有抗水、抗堿、抗酸等優點。
目前玻璃管保險絲應用廣泛,在化工、航天、軍事、家庭、醫院等各個領域都經常能夠見到它的身影,而且玻璃管保險絲更換也是非常簡單的,它的成本也很便宜,具有良好的推廣價值和社會效益。
總之,玻璃管保險絲優勢突出,它的發展前景是非常好的,要選擇玻璃管保險絲的話,大家一定要選擇大廠家的產品。
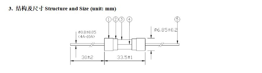
6E 6*30玻璃慢斷保險絲,保險管 UL介紹:
1. 適用范圍Scope of application
本產品適用于各種電子電器內的電路中起過電流保護作用。
This product is suitable for various kinds of electronic machines to work for over current protection.
2. 相關標準及認證Relevant Standards and Certification
2.1執行標準Standard: UL248-1 UL248-14
2.2認證Certification:
額定電壓 Voltage rating | UL | CUL | ||
認證范圍 Scope of Certification | 證書編號Certification No. | 認證范圍 Scope of Certification | 證書編號Certification No. | |
125V | 100mA~10A | E221465 | 100mA~10A | E221465 |
250V | 100mA~10A | E221465 | 100mA~10A | E221465 |




保險絲生產廠家,蘇州鼎時電子科技有限公司推出貼片保險絲:應用于電源、開關電源、充電器、LED驅動電源、LED燈具、球泡燈、投光燈線性方案等
如果你對我們的產品感興趣或有什么問題,歡迎來此詢價。我們將在24小時內給予答復。個人信息我們將嚴格保密。注:下表*部分為必填項
版權所有:蘇州鼎時電子科技有限公司 手機版 蘇ICP備16029630號